
Miniature Bearings Australia
BP0160-0200-0160-BSLT1 - Datasheet
MBA
Category Information
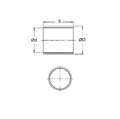
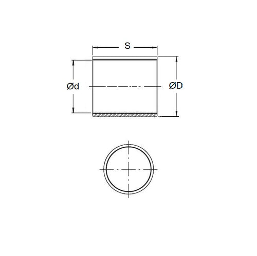
Bushes - Unflanged - Bronze - SinteredSintered Bronze Unflanged Bushes. Oil impregnated sintered bronze bushes.
- An expanded range may be available on special order. Please enquire.
- Precision items show an allowable Load Speed Rating in Newtons times RPM.
Product Data
- Nominal Inside Diameter (d)
:
16.000
mm
+ 0.005 / + 0.030
(Equiv. 0.63 in.) - Nominal Outside Diameter (D)
20.000
mm
+ 0.036 / + 0.061
(Equiv. 0.787 in.) - Length (s)
16.000
mm
+/- 0.127
(Equiv. 0.63 in.) - Comments ISO2795
- Material Bronze SAE 841 Sintered
Product Compliance and Data
Additional Resources
- DU Bush Material Information
- General Bushes Catalogue
- Sintered Bronze Products Catalogue
- Solid Bronze Bushes catalogue
Cross References
- 6658K32
- Oilube AAM-1620-16
- Oilite AAM1620-16
- Oilube AAM1620-16
- BP016002000160BS
- BP016002000160BSLT
- BP016002000160BST
- QM27-16
- QM2716
- AAM162016


