
Miniature Bearings Australia
SP1-127-078B-015-PB-C - Datasheet
MBA
Category Information
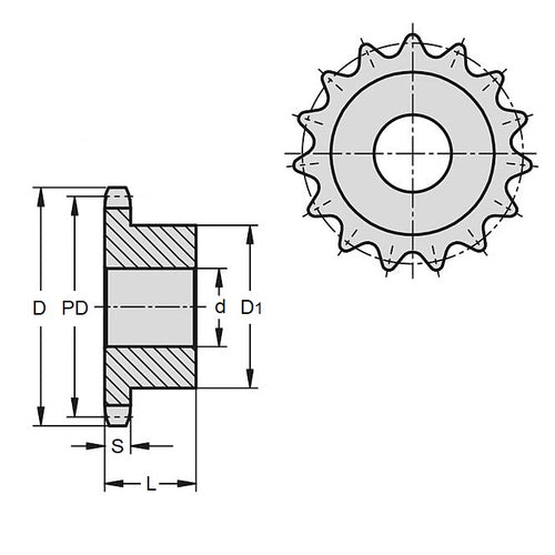
Sprockets - Roller Chain - Simplex - 08B - With BossWith Boss 08B Simplex Roller Chain Sprockets. Match with 12.70x7.75mm simplex chain (08B BS)
- This category will be discontinued when the remaining items are sold.
- All items are priced to quit.
- Backorders or orders for previously listed items in the category may still be possible - please enquire.
- Pilot bored sprockets come with a very small bore that will need to be machined by the customer to suit their shaft size.
- British Standard 08B - 1/2 inch. With and without hubs.
Product Data
Deleted Item. Available while stocks last.
Please contact us first if you wish to use this item in a new design so we can check whether production can be resumed.
- Number of Teeth : 15
- PCD
60.61
mm
(Equiv. 2.386 in.) - Hub Diameter (D1)
41.00
mm
(Equiv. 1.614 in.) - Overall Width (E) 28.00 mm
- Standard Number 08B-1
- Type / Rows Type 3
- Bore (d) 10.00 mm
- Locking Method No Locking
- Material Carbon Steel
Product Compliance and Data
Additional Resources
Cross References
- Sprocket 08B-1-15T
- 2302K21


