
Miniature Bearings Australia
T-0159-0286-FW - Datasheet
MBA
Category Information
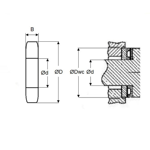
Bearings - Thrust Ball Washers Only - Chrome SteelChrome Steel Thrust Ball Washers Only Bearings. Hardened thrust washers for thrust bearings - ungrooved. Match with thrust ball and retainer or roller type.
- These washers are are used as replacements for matching ball thrust bearings. They can be used to replace worn washers, or used to select a range of thicknesses depending on your application.
- An expanded range may be available on special order. Please enquire.
- Carbon Steel Washers are hardened to RC59.61.
Product Data
- Nominal Inside Diameter
:
15.88
mm
(Equiv. 0.625 in.) - Nominal OD
28.58
mm
(Equiv. 1.125 in.) - Description / Material Washer Only - Carbon Steel
- Nom. Thickness (B Max) 2.42 mm
- Shaft Pilot Diameter (S) 15.80 - 15.88 mm
- Diam. to Clear Washer OD (Dwc) 29.36 mm
- Material Carbon Steel
Product Compliance and Data
Additional Resources
- Catalogue: Ceramic Bearings Catalogue
- Catalogue: Plastic Bearings Catalogue
- Catalogue: Standard Bearings Catalogue
- General: Bearing Cleanliness
- General: Bearing Clearances
- General: Bearing Flanges & Snap Rings
- General: Bearing Retainers (Cages)
- General: General Loads Information
- General: Lubrication
- General: Prefix & Suffix Guide
- General: Static vs Dynamic Loads
- Materials: 316 Stainless
- Materials: CASSTOP Anti-Corrosion Bearing Material
- Materials: Ceramic vs Ceramic Hybrid
- Materials: Ceramic Bearings in Vibratory Applications
- Materials: Ceramic Hybrid Bearings in Vibratory Applications
- Materials: General Bearing Materials
- Materials: Magnetism & Bearings
- Precision: 316 Stainless & Plastic Bearing Tolerances
- Precision: ABEC Basic Information
- Precision: Precision Bearing Tolerances
- Problem Solving: Bearing Failure
- Problem Solving: Fatigue (L10 Life)
- Problem Solving: Noise
Cross References
- Torrington TRC-1018
- TRC1018


