
Miniature Bearings Australia
P-UC204-10-AGL - Datasheet
KMS
Category Information
Bearings - Spherical OD - Suits Plastic Housings - Acetal - Glass BallsGlass Balls Acetal Suits Plastic Housings Spherical OD Bearings. Insert bearings ideal for wet conditions. Similar to standard wide inner ring bearings for P, F, Fl type housings.
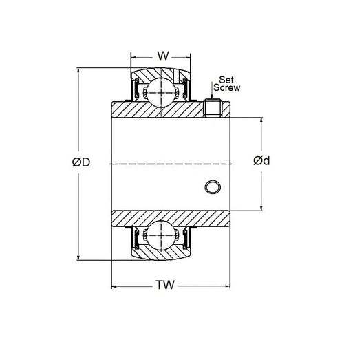
- Spherical OD bearings are similar to a standard single row ball bearing, except that the spherical OD allows for them to be swivel assembled into a spherical seating housing.
- Load and speed calculations are for reference only. Testing is recommended.
Product Data
- Inside Diameter
:
15.875
mm
(Equiv. 0.625 in.) - Outside Diameter
47.000
mm
(Equiv. 1.85 in.) - Bearing Width
31.000
mm
(Equiv. 1.22 in.) - Suits Housing P204PE / F204PE / FL204PE / FB204PE
- Type Single Row Ball
- Max RPM 840
- Load Capacity (Dynamic) 34.8 Kg
- Load Capacity (Static) 23.2 Kg
- Material Acetal with Glass Balls
Product Compliance and Data
Additional Resources
- Catalogue: Ceramic Bearings Catalogue
- Catalogue: Plastic Bearings Catalogue
- Catalogue: Standard Bearings Catalogue
- General: Bearing Cleanliness
- General: Bearing Clearances
- General: Bearing Flanges & Snap Rings
- General: Bearing Retainers (Cages)
- General: General Loads Information
- General: Lubrication
- General: Prefix & Suffix Guide
- General: Static vs Dynamic Loads
- Materials: 316 Stainless
- Materials: CASSTOP Anti-Corrosion Bearing Material
- Materials: Ceramic vs Ceramic Hybrid
- Materials: Ceramic Bearings in Vibratory Applications
- Materials: Ceramic Hybrid Bearings in Vibratory Applications
- Materials: General Bearing Materials
- Materials: Magnetism & Bearings
- Precision: 316 Stainless & Plastic Bearing Tolerances
- Precision: ABEC Basic Information
- Precision: Precision Bearing Tolerances
- Problem Solving: Bearing Failure
- Problem Solving: Fatigue (L10 Life)
- Problem Solving: Noise
Cross References
- KMS AIB204-5/8-G
- AIB2045/8G
- AGLUC20410


