
Miniature Bearings Australia
BP0159-0206-0318-BSHH - Datasheet
MBA
Category Information
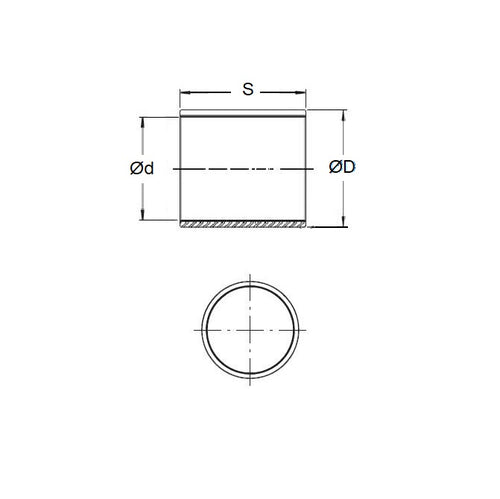
Bushes - Unflanged - Bronze - SinteredSintered Bronze Unflanged Bushes. Oil impregnated sintered bronze bushes.
- An expanded range may be available on special order. Please enquire.
- Precision items show an allowable Load Speed Rating in Newtons times RPM.
Product Data
- Nominal Inside Diameter (d)
:
15.875
mm
+ 0.051 / + 0.076
(Equiv. 0.625 in.) - Nominal Outside Diameter (D)
20.638
mm
+ 0.051 / + 0.076
(Equiv. 0.813 in.) - Length (s)
31.750
mm
+/- 0.127
(Equiv. 1.25 in.) - Material Bronze SAE 841 Sintered
Product Compliance and Data
Additional Resources
- DU Bush Material Information
- General Bushes Catalogue
- Sintered Bronze Products Catalogue
- Solid Bronze Bushes catalogue
Cross References
- Oilite AA-814-5
- Oilube AA-814-5
- Oilite AA814-5
- A7B4SP202610
- A7B4-SP202610
- BP015902060318BS-HH
- BP015902060318BSHH3
- BP015902060318BSHH4
- BP015902060318BSHH1
- AA8145


