
Miniature Bearings Australia
BF0159-0191-0159-BS2524LH - Datasheet
MBA
Category Information
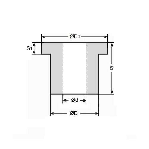
Bushes - Flanged - Bronze - SinteredSintered Bronze Flanged Bushes. Oil impregnated flanged sintered bronze bushes.
- An expanded range may be available on special order. Please enquire.
- Precision items show an allowable Load Speed Rating in Newtons times RPM.
Product Data
- Nominal Inside Diameter (d)
:
15.875
mm
+ 0.012 / + 0.038
(Equiv. 0.625 in.) - Nominal Outside Diameter (D)
19.050
mm
+ 0.038 / + 0.063
(Equiv. 0.75 in.) - Length (s)
15.875
mm
+/- 0.127
(Equiv. 0.625 in.) - Flange OD (D1) 25.40 mm
- Flange Thickness (S1) 2.38 mm
- Material Bronze SAE 841 Sintered
Product Compliance and Data
Additional Resources
- DU Bush Material Information
- General Bushes Catalogue
- Sintered Bronze Products Catalogue
- Solid Bronze Bushes catalogue
Cross References
- Oilite FF703-03
- Oilite FF-703-3
- Oilube FF-703-3
- Oilite FF703-3
- BF015901910159BSF2524
- FF7033
- FF70303


