
Miniature Bearings Australia
SP1-038-016B-015-060-S3 - Datasheet
MBA
Category Information
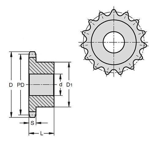
Sprockets - Roller Chain - Simplex - 3.75 x 1.6mm - Stainless SteelStainless Steel 3.75 x 1.6mm Simplex Roller Chain Sprockets. Miniature 3.75mm Pitch.
- This category will be discontinued when the remaining items are sold.
- All items are priced to quit.
- Backorders or orders for previously listed items in the category may still be possible - please enquire.
- Match with 3.75mm simplex chain
Product Data
Deleted Item. Available while stocks last.
Please contact us first if you wish to use this item in a new design so we can check whether production can be resumed.
- Number of Teeth : 15
- PCD
17.88
mm
(Equiv. 0.704 in.) - Hub Diameter (D1)
13.00
mm
(Equiv. 0.512 in.) - Overall Width (E) 9.00 mm
- Standard Number Non Standard
- Type / Rows Type 3s
- Bore (d) 6.000
- Locking Method M3 Set Screw
- Material Stainless Steel 303/304 (Similar to A2, 18-8) HRB80
Product Compliance and Data
Additional Resources
Cross References
- A 6X 7M1415
- A6X7M1415


