
Miniature Bearings Australia
WRE-1400-LS - Datasheet
MBA
Category Information
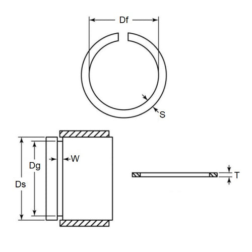
Retaining Rings - External - Snap Rings - Carbon SteelCarbon Steel Snap Rings External Retaining Rings. Includes series M3200 / SP / ESP / M2400 / SW snaprings. Similar to a circlip without the lugs.
- An expanded range may be available on special order. Please enquire.
- Carbon sping steel
- Used on the outside diameter of a bearing, shaft or similar equipment
Product Data
- Shaft or Bearing OD (d1)
:
140.00
mm
(Equiv. 5.512 in.) - Clip Thickness (T)
2.50
mm
+ 0 / - 0.10
(Equiv. 0.098 in.) - Groove Dia. (Dg)
137.40
mm
+ 0 / - 0.25
(Equiv. 5.409 in.) - Approx. Loose Circlip ID (A) 136.00 mm
- Radial Wall (S) Approx. 4.00 mm + 0 / - 0.10
- Groove Width (W) 2.70 mm
- Approx. Loose Clip OD 144
- Section Profile Rectangular with Square Edge
- Material Carbon Spring Steel
Product Compliance and Data
Additional Resources
Cross References
- NoCor DSW-140
- Seeger SW140
- Seeger SW140A501-PAS
- SW140A501PAS
- WRE1400SQ
- M24001400APP
- M2400-1400APP
- DSW140


