
Miniature Bearings Australia
SP1-064-028B-013-064-S3 - Datasheet
MBA
Category Information
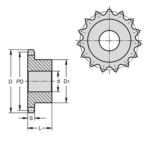
Sprockets - Roller Chain - Simplex - 25-1A - Stainless Steel Plain BoreStainless Steel Plain Bore 25-1A Simplex Roller Chain Sprockets. 25-1 ASA 1/4 Inch. Stainless Steel 303 grade with unfinished bore.
- This category will be discontinued when the remaining items are sold.
- All items are priced to quit.
- Backorders or orders for previously listed items in the category may still be possible - please enquire.
- Match with 6.35mm simplex chain
- American Standard 25-1 - 1/4 inch
Product Data
Deleted Item. Available while stocks last.
Please contact us first if you wish to use this item in a new design so we can check whether production can be resumed.
- Number of Teeth : 13
- PCD
26.27
mm
(Equiv. 1.034 in.) - Hub Diameter (D1)
18.26
mm
(Equiv. 0.719 in.) - Overall Width (L) 12.70 mm
- Standard Number 25-1A
- Type / Rows Type 3s
- Approx Pilot Bore (d) 6.350
- Locking Method Set Screw
- Material Stainless Steel 303/304 (Similar to A2, 18-8) HRB80
Product Compliance and Data
Additional Resources
Cross References
- Gates 25B13SS
- 6799K5
- A6X72513
- A6X7-2513


