
Miniature Bearings Australia
BP0120-0180-0120-BSLT - Datasheet
MBA
Category Information
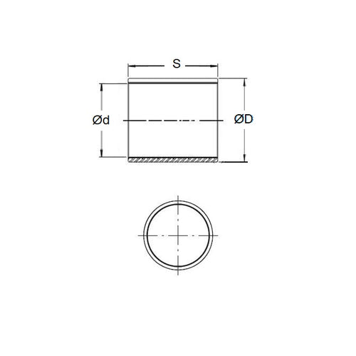
Bushes - Unflanged - Bronze - SinteredSintered Bronze Unflanged Bushes. Oil impregnated sintered bronze bushes.
- An expanded range may be available on special order. Please enquire.
- Precision items show an allowable Load Speed Rating in Newtons times RPM.
Product Data
- Nominal Inside Diameter (d)
:
12.000
mm
+ 0.005 / + 0.030
(Equiv. 0.472 in.) - Nominal Outside Diameter (D)
18.000
mm
+ 0.025 / + 0.051
(Equiv. 0.709 in.) - Length (s)
12.000
mm
+/- 0.127
(Equiv. 0.472 in.) - Material Bronze SAE 841 Sintered
Product Compliance and Data
Additional Resources
- DU Bush Material Information
- General Bushes Catalogue
- Sintered Bronze Products Catalogue
- Solid Bronze Bushes catalogue
Cross References
- 6658K17
- Oilube AAM-1218-12
- Oilite AAM1218-12
- Oilube AAM1218-12
- Oilube AM-1218-12
- Shorlube SMC121812
- A7B4MP121812
- AAM121812
- BP012001800120BS
- BP012001800120BST
- QM2212
- QM22-12


