Small Parts & Bearings
Miniature Bearings Australia

BF0120-0150-0160-BS1815LT - Datasheet

MBA

Category Information

Bushes - Flanged - Bronze - Sintered

Sintered Bronze Flanged Bushes. Oil impregnated flanged sintered bronze bushes.

  • An expanded range may be available on special order. Please enquire.
  • Precision items show an allowable Load Speed Rating in Newtons times RPM.

Product Data

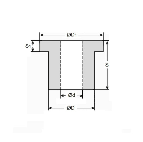
  • Nominal Inside Diameter (d) : 12.000 mm + 0.005 / + 0.030
    (Equiv. 0.472 in.)
  • Nominal Outside Diameter (D) 15.000 mm + 0.028 / + 0.050
    (Equiv. 0.591 in.)
  • Length (s) 16.000 mm +/- 0.127
    (Equiv. 0.63 in.)
  • Flange OD (D1) 18.00 mm
  • Flange Thickness (S1) 1.50 mm
  • Comments ISO2795
  • Material Bronze SAE 841 Sintered
Country of Origin: US

Product Compliance and Data

Additional Resources

Cross References

  • 6659K12
  • Oilube FM-1215-16
  • FM121516
  • BF012001500160BS
  • BF012001500160BSLT
  • QFM12516
  • QFM12.5-16
View full details