Small Parts & Bearings
Miniature Bearings Australia

LOP-0127-022-032-FGP - Datasheet

MBA

Category Information

Linear - Sliding Bearings - Frelon Gold Lined - Open - Precision

Precision Open Frelon Gold Lined Sliding Bearings Linear. Self lubricating. Eliminates galling and shaft damage. Dampens vibration for quiet smooth operation. High load capacity. Absorbs shock loads. Maintenance free. Chemically inert. Temp range -240 Deg C to +260 Deg C

  • Frelon Gold = 20000 PV
  • Dry Running Max Surface Speed Frelon Gold = 1.5 mtrs / sec (300 ft / min).
  • With Lubrication Max Surface Speed Frelon Gold = 4.1 mtrs / sec (825 ft / min)
  • Interaction of the Frelon Gold material and the shafting creates a microscopic transfer of Frelon Gold to the running surfaces filling the valleys during the initial break-in period.
  • Precision type has closer running clearances.

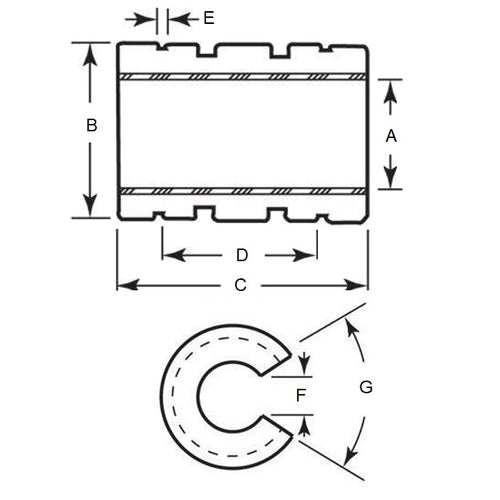
Product Data

  • Nominal Shaft Size (T) : 12.700 mm
    (Equiv. 0.5 in.)
  • Nom. Outer Diameter (D) 22.225 mm
    (Equiv. 0.875 in.)
  • Overall Length (L) 31.750 mm
    (Equiv. 1.25 in.)
  • Max. Load 442.252 N
  • Groove Distance (D) 22.225 mm
  • Groove Width 1.21 mm
  • Series Precision
  • Type Open
  • Opening Distance 7.950 mm
  • Max Speed Dry 42.600 m/s
  • Max Speed Lubricated 122.000 m/s
  • Material Frelon Gold Lined
Country of Origin: US

Product Compliance and Data

Additional Resources

    Cross References

    • 5986K769
    • Pacific FLN08
    • PBC40
    • PBC-40
    View full details