Small Parts & Bearings
Miniature Bearings Australia

BF0127-0191-0095-BS2532HH - Datasheet

MBA

Category Information

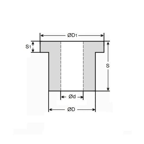
Bushes - Flanged - Bronze - Sintered

Sintered Bronze Flanged Bushes. Oil impregnated flanged sintered bronze bushes.

  • An expanded range may be available on special order. Please enquire.
  • Precision items show an allowable Load Speed Rating in Newtons times RPM.

Product Data

  • Nominal Inside Diameter (d) : 12.700 mm + 0.102 / + 0.127
    (Equiv. 0.5 in.)
  • Nominal Outside Diameter (D) 19.050 mm + 0.051 / + 0.076
    (Equiv. 0.75 in.)
  • Length (s) 9.525 mm +/- 0.127
    (Equiv. 0.375 in.)
  • Flange OD (D1) 25.40 mm
  • Flange Thickness (S1) 3.18 mm
  • Material Bronze SAE 841 Sintered
Country of Origin: US

Product Compliance and Data

Additional Resources

Cross References

  • Oilite FF-723-05
  • Oilube FF-723-05
  • Oilube FF-723-5
  • Oilite FF723-5
  • BF012701910095BS
  • BF012701910095BSHH
  • FF7235
  • FF72305
View full details