
Miniature Bearings Australia
BP0127-0191-0159-BSTH1 - Datasheet
MBA
Category Information
Bushes - Unflanged - Bronze - SinteredSintered Bronze Unflanged Bushes. Oil impregnated sintered bronze bushes.
- An expanded range may be available on special order. Please enquire.
- Precision items show an allowable Load Speed Rating in Newtons times RPM.
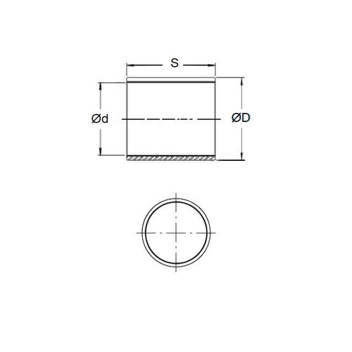
Product Data
- Nominal Inside Diameter (d)
:
12.700
mm
+ 0.025 / + 0.051
(Equiv. 0.5 in.) - Nominal Outside Diameter (D)
19.050
mm
+ 0.051 / + 0.076
(Equiv. 0.75 in.) - Length (s)
15.875
mm
+/- 0.127
(Equiv. 0.625 in.) - Material Bronze SAE 841 Sintered
Product Compliance and Data
Additional Resources
- DU Bush Material Information
- General Bushes Catalogue
- Sintered Bronze Products Catalogue
- Solid Bronze Bushes catalogue
Cross References
- 6391K222
- Oilite AA751-2
- Bunting B-812-5
- Shorlube C1624-2
- Bunting EP081210
- Daemar P-52-5
- A7B4-SP162405
- A7B4SP162405
- C16242
- AA7512
- BP012701910159BSTH
- BNT-153
- BNT153
- P525
- B8125


