
Miniature Bearings Australia
BP0127-0159-0318-BSTH1 - Datasheet
MBA
Category Information
Bushes - Unflanged - Bronze - SinteredSintered Bronze Unflanged Bushes. Oil impregnated sintered bronze bushes.
- An expanded range may be available on special order. Please enquire.
- Precision items show an allowable Load Speed Rating in Newtons times RPM.
Product Data
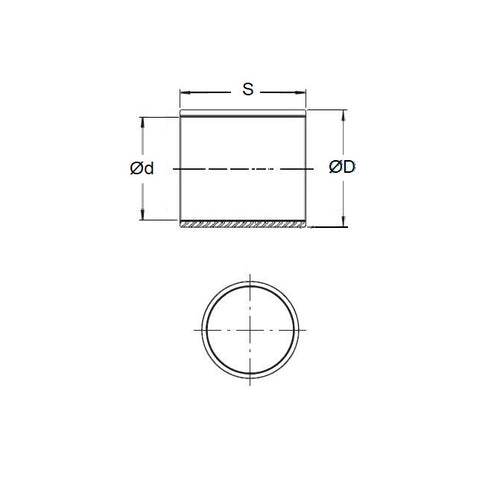
- Nominal Inside Diameter (d)
:
12.700
mm
+ 0.025 / + 0.051
(Equiv. 0.5 in.) - Nominal Outside Diameter (D)
15.875
mm
+ 0.051 / + 0.076
(Equiv. 0.625 in.) - Length (s)
31.750
mm
+/- 0.127
(Equiv. 1.25 in.) - Material Bronze SAE 841 Sintered
Product Compliance and Data
Additional Resources
- DU Bush Material Information
- General Bushes Catalogue
- Sintered Bronze Products Catalogue
- Solid Bronze Bushes catalogue
Cross References
- 6391K217
- Bunting B-810-10
- Shorlube C1620-11
- Bunting EP081020
- Daemar P-50-10
- Symmco SS-1620-20
- A7B4-SP162010
- A7B4SP162010
- C162011
- SS162020
- BP012701590318BSTH
- BNT150
- BNT-150
- P5010
- B81010


