
Miniature Bearings Australia
BF0127-0159-0318-BS2232TH - Datasheet
MBA
Category Information
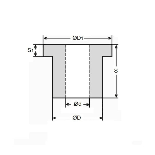
Bushes - Flanged - Bronze - SinteredSintered Bronze Flanged Bushes. Oil impregnated flanged sintered bronze bushes.
- An expanded range may be available on special order. Please enquire.
- Precision items show an allowable Load Speed Rating in Newtons times RPM.
Product Data
- Nominal Inside Diameter (d)
:
12.700
mm
+ 0.025 / + 0.051
(Equiv. 0.5 in.) - Nominal Outside Diameter (D)
15.875
mm
+ 0.051 / + 0.076
(Equiv. 0.625 in.) - Length (s)
31.750
mm
(Equiv. 1.25 in.) - Flange OD (D1) 22.230 mm
- Flange Thickness (S1) 3.18 mm
- Material Bronze SAE 841 Sintered
Product Compliance and Data
Additional Resources
- DU Bush Material Information
- General Bushes Catalogue
- Sintered Bronze Products Catalogue
- Solid Bronze Bushes catalogue
Cross References
- Bunting BSF-1620-20
- Bunting EF081020
- Boston FB-810-10
- Oilube FB-810-10
- Daemar FL-50-10
- BSF162020
- A7B4SF162010
- A7B4-SF162010
- FL5010
- FB81010


