Small Parts & Bearings
Miniature Bearings Australia

BF0127-0159-0254-BS2232TH - Datasheet

MBA

Category Information

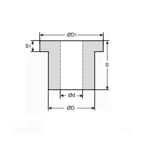
Bushes - Flanged - Bronze - Sintered

Sintered Bronze Flanged Bushes. Oil impregnated flanged sintered bronze bushes.

  • An expanded range may be available on special order. Please enquire.
  • Precision items show an allowable Load Speed Rating in Newtons times RPM.

Product Data

  • Nominal Inside Diameter (d) : 12.700 mm + 0.025 / + 0.051
    (Equiv. 0.5 in.)
  • Nominal Outside Diameter (D) 15.875 mm + 0.051 / + 0.076
    (Equiv. 0.625 in.)
  • Length (s) 25.400 mm +/- 0.127
    (Equiv. 1 in.)
  • Flange OD (D1) 22.23 mm
  • Flange Thickness (S1) 3.18 mm
  • Material Bronze SAE 841 Sintered
Country of Origin: US

Product Compliance and Data

Additional Resources

Cross References

  • 6338K421
  • Bunting BSF-1620-16
  • Bunting EF081016
  • Shorlube F1620-5
  • Boston FB810-8
  • Oilite FB810-8
  • Small Parts FBB-8-16
  • Daemar FL-50-8
  • BF012701590254BS
  • F16205
  • BSF162016
  • A7B4SF162008
  • A7B4-SF162008
  • FB8108
  • FBB816
  • FL508
View full details