
Miniature Bearings Australia
BP0127-0159-0127-BSTH1 - Datasheet
MBA
Category Information
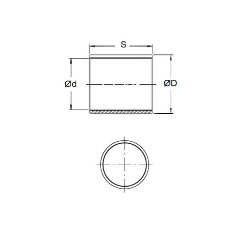
Bushes - Unflanged - Bronze - SinteredSintered Bronze Unflanged Bushes. Oil impregnated sintered bronze bushes.
- An expanded range may be available on special order. Please enquire.
- Precision items show an allowable Load Speed Rating in Newtons times RPM.
Product Data
- Nominal Inside Diameter (d)
:
12.700
mm
+ 0.025 / + 0.051
(Equiv. 0.5 in.) - Nominal Outside Diameter (D)
15.875
mm
+ 0.051 / + 0.076
(Equiv. 0.625 in.) - Length (s)
12.700
mm
+/- 0.127
(Equiv. 0.5 in.) - Material Bronze SAE 841 Sintered
Product Compliance and Data
Additional Resources
- DU Bush Material Information
- General Bushes Catalogue
- Sintered Bronze Products Catalogue
- Solid Bronze Bushes catalogue
Cross References
- Bunting B-810-4
- Shorlube C1620-2
- Bunting EP081008
- Daemar P-50-4
- Small Parts SBB-8-8
- Symmco SS-1620-8
- SS16208
- BNT146
- BP012701590127BSTH
- BNT-146
- B8104
- SBB88
- QT511
- QT51-1
- P504
- A7B4SP162004
- A7B4P050
- A7B4-P050
- A7B4-SP162004
- C16202


