Small Parts & Bearings
Miniature Bearings Australia

BF0127-0159-0127-BS2232TH - Datasheet

MBA

Category Information

Bushes - Flanged - Bronze - Sintered

Sintered Bronze Flanged Bushes. Oil impregnated flanged sintered bronze bushes.

  • An expanded range may be available on special order. Please enquire.
  • Precision items show an allowable Load Speed Rating in Newtons times RPM.

Product Data

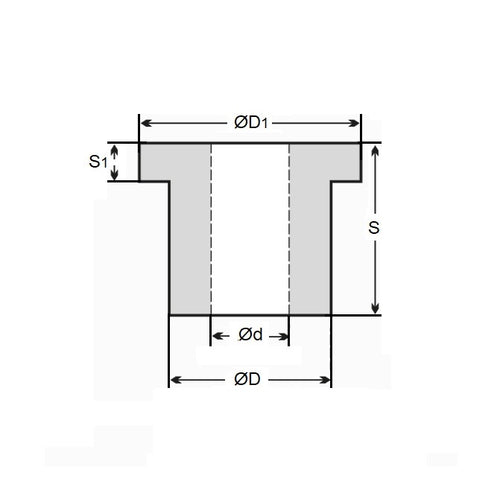
  • Nominal Inside Diameter (d) : 12.700 mm + 0.025 / + 0.051
    (Equiv. 0.5 in.)
  • Nominal Outside Diameter (D) 15.875 mm + 0.051 / + 0.076
    (Equiv. 0.625 in.)
  • Length (s) 12.700 mm
    (Equiv. 0.5 in.)
  • Flange OD (D1) 22.230 mm
  • Flange Thickness (S1) 3.18 mm
  • Material Bronze SAE 841 Sintered
Country of Origin: US

Product Compliance and Data

Additional Resources

Cross References

  • 6338K418
  • Bunting BSF-1620-8
  • Bunting EF081008
  • Boston FB-810-4
  • Oilube FB-810-4
  • Oilite FB810-4
  • Daemar FL-50-4
  • BSF16208
  • A7B4SF162004
  • A7B4-SF162004
  • FL504
  • FB8104
View full details