
Miniature Bearings Australia
GHK1270-1270-152-Z - Datasheet
ExaktKey
Category Information
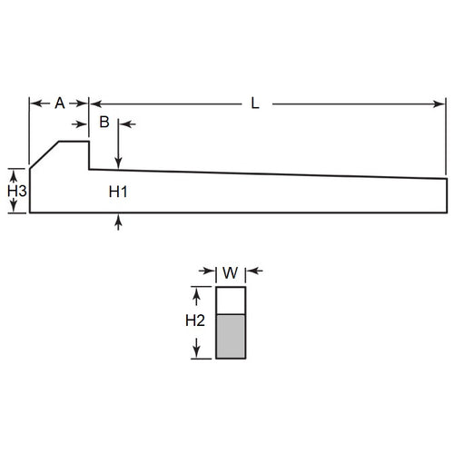
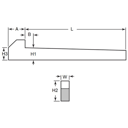
Keys - Gib Head - Zinc PlatedZinc Plated Gib Head Keys. Tapered 3.000 mm per 300 mm (1:100)
- An expanded range may be available on special order. Please enquire.
Product Data
Deleted Item. Available while stocks last.
Please contact us first if you wish to use this item in a new design so we can check whether production can be resumed.
- Nominal Key Height (H1)
:
12.700
mm
(Equiv. 0.5 in.) - Width (W)
12.700
mm
(Equiv. 0.5 in.) - Length (L)
152.4
mm
(Equiv. 6 in.) - Head Height (h2) Approx. 19.1 mm
- Approx (B) 10.16 mm
- Approx (H3) 13.49 mm
- Taper 1:100
- Standard BS46
- Head Length (Approx) (A) 14.29 mm
- Material Zinc Plated Steel
Product Compliance and Data
Additional Resources
Cross References
- NoCor GIB-0500-6000-ZP
- GIB05006000ZP


