Small Parts & Bearings
Miniature Bearings Australia

IP-178RS - Datasheet

MBA

Category Information

Housing and Bearing Assembly - Tapped Base - Thermoplastic and Stainless

Thermoplastic and Stainless Tapped Base Housing and Bearing Assembly. Thermoplastic housed units offer a more favourable economic choice. Stainless steel bearings offer a high level of corrosion resistance and all metal parts are made from either 302, 304 or 440C stainless steel.

  • Bearing housing assemblies combine matching parts already assembled. Bearings in this range refer to either ball bearings or plain bearings. Refer to the listings for each type.
  • Operating temperature minus 20 oC to +95 deg C
  • Thermoplastic hosuings are offwhite and are made from glass reinforced PBT resin. Favourable chemical resistance. Very resistant to moisture absorption.
  • Excellent mechanical, thermal and electrical properties.
  • All sleeves, bushings and grease fittings are 300 grade stainless steel.
  • Food grade

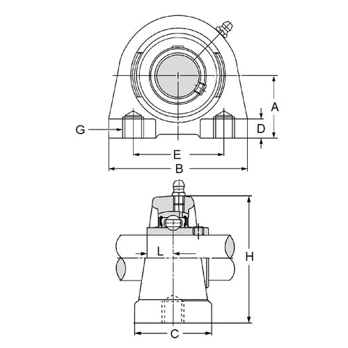
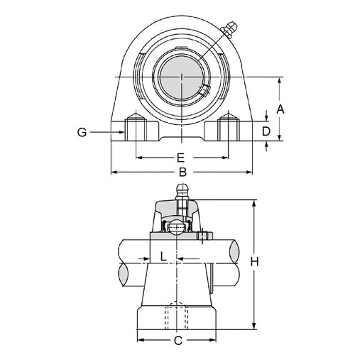
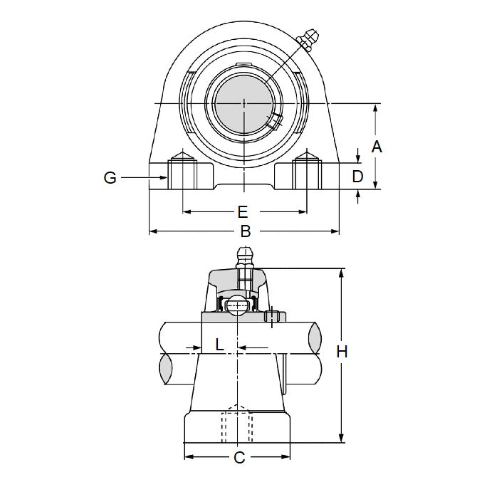
Product Data

  • Bore : 12.700 mm
    (Equiv. 0.5 in.)
  • Centre Height (A) 33.325 mm
    (Equiv. 1.312 in.)
  • Width (B) 73.025 mm
    (Equiv. 2.875 in.)
  • Depth (C) 34.925 mm
  • Bolt Depth (D) 12.700 mm
  • Bolt Distances (E) 50.800 mm
  • Thread (G) 42585.000
  • K 65.881 mm
  • L 18.301 mm
Country of Origin: US

Product Compliance and Data

Additional Resources

    View full details