
Miniature Bearings Australia
RPI-127-128-C - Datasheet
MBA
Category Information
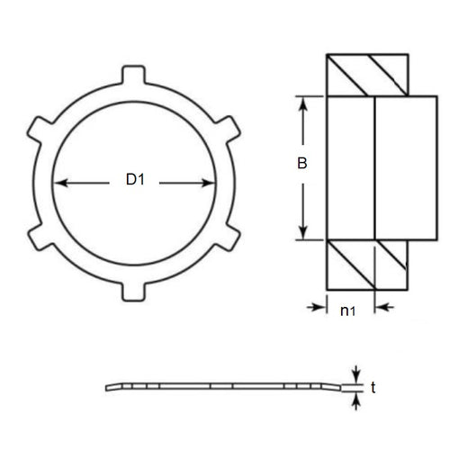
Retaining Rings - Push In Carbon SteelPush In Carbon Steel Retaining Rings. Thrust load shown is calculated for ideal conditions with mild steel bore.
Product Data
- Housing Bore (B) Min
:
12.65
mm
(Equiv. 0.498 in.) - Housing Bore (B) Max
12.75
mm
(Equiv. 0.502 in.) - Inside Clearance (D1)
6.55
mm
+ / - 0.26
(Equiv. 0.258 in.) - Thickness (t) 0.25 mm +/- 0.03
- Recommended Depth (n1) 1.02 mm
- Thrust Load 829 kg.cm
- Material Carbon Spring Steel Self Finish
Product Compliance and Data
Additional Resources
Cross References
- 98435A138
- Truarc C23163
- Small Parts RSI-8
- NoCor TI-050
- TI050
- RSI8
- N1305-0050-APP
- N13050050APP
- N1305-0050APP


