
Miniature Bearings Australia
SP1-064-028B-012-095F-C - Datasheet
MBA
Category Information
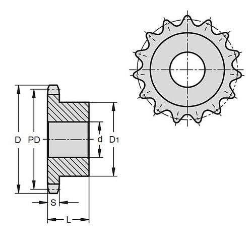
Sprockets - Roller Chain - Simplex - 25-1A - With Boss - Finished BoreFinished Bore With Boss 25-1A Simplex Roller Chain Sprockets. 25-1 ASA 1/4 Inch. With finished bore.
- This category will be discontinued when the remaining items are sold.
- All items are priced to quit.
- Backorders or orders for previously listed items in the category may still be possible - please enquire.
- Match with 6.35mm simplex chain
- American Standard 25-1 - 1/4 inch
Product Data
Deleted Item. Available while stocks last.
Please contact us first if you wish to use this item in a new design so we can check whether production can be resumed.
- Number of Teeth : 12
- PCD
24.25
mm
(Equiv. 0.955 in.) - Hub Diameter (D1)
16.66
mm
(Equiv. 0.656 in.) - Overall Width (E) 12.70 mm
- Standard Number 25-1A
- Type / Rows Type 3s
- Finished Bore (d) 9.525 mm
- Locking Method 2 Set Screws at 90 Deg
- Material Carbon Steel
Product Compliance and Data
Additional Resources
Cross References
- Gates 25BF12X3-8
- Gates 25BS12X3-8
- 2737T102
- 25BS12X38
- 25BF12X38


