
Miniature Bearings Australia
G013L-012-D24-0076-C - Datasheet
MBA
Category Information
Gears - Spur - Stock 24DP SteelStock 24DP Steel Spur Gears. PCD in mm = No. of Teeth x 1.05833 (1/24 in.). DP stands for Diametrical Pitch and is an imperial measurement system.
- There are more items available in this range than currently listed. Please enquire if you have special requirements. Expanded range includes hardened gears, stainless steel, antibacklash, and special bore sizes.
- Be sure to match the pitch type and tooth angle when selecting spur gears.
- An expanded range may be available on special order. Please enquire.
- The diameter increases by 1 inch for every 24 teeth
- 24 Diametrical Pitch. Approx 3.33mm between the teeth.
- Lengths of Gearstock for machining
Product Data
Deleted Item. Available while stocks last.
Please contact us first if you wish to use this item in a new design so we can check whether production can be resumed.
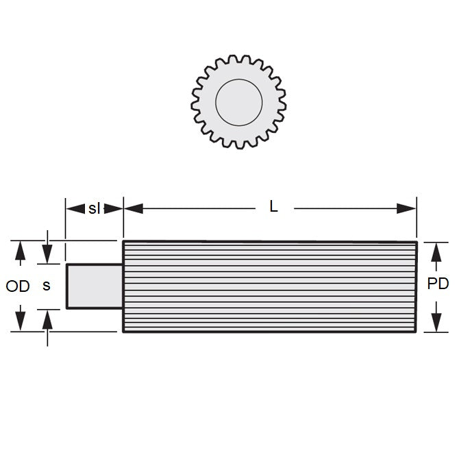
- Number of Teeth : 12
- Pitch Diameter (PD) 12.7 mm
- Usable Length (L) 76.2 mm
- Outside Diameter (OD) 14.8 mm
- Shank Diameter (s) 6.35 mm
- Shank Length (sl) 19.10
- Pressure Angle 20 °
- Material Carbon Steel
Product Compliance and Data
Additional Resources
Cross References
- A 1C29-Y24012
- A1C29-Y24012
- A1C29Y24012
- G013L12D240076C


