Small Parts & Bearings
Miniature Bearings Australia

GHK1111-1905-152-Z - Datasheet

ExaktKey

Category Information

Keys - Gib Head - Zinc Plated

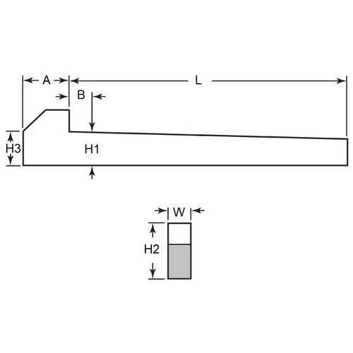
Zinc Plated Gib Head Keys. Tapered 3.000 mm per 300 mm (1:100)

  • An expanded range may be available on special order. Please enquire.

Product Data

Deleted Item. Available while stocks last.

Please contact us first if you wish to use this item in a new design so we can check whether production can be resumed.

  • Nominal Key Height (H1) : 11.113 mm
    (Equiv. 0.438 in.)
  • Width (W) 19.050 mm
    (Equiv. 0.75 in.)
  • Length (L) 152.4 mm
    (Equiv. 6 in.)
  • Head Height (h2) Approx. 17.5 mm
  • Approx (B) 10.16 mm
  • Approx (H3) 11.91 mm
  • Taper 1:100
  • Standard BS46
  • Head Length (Approx) (A) 20.64 mm
  • Material Zinc Plated Steel
Country of Origin: US

Product Compliance and Data

Additional Resources

View full details