
Miniature Bearings Australia
BF0111-0143-0159-BS1716LH - Datasheet
MBA
Category Information
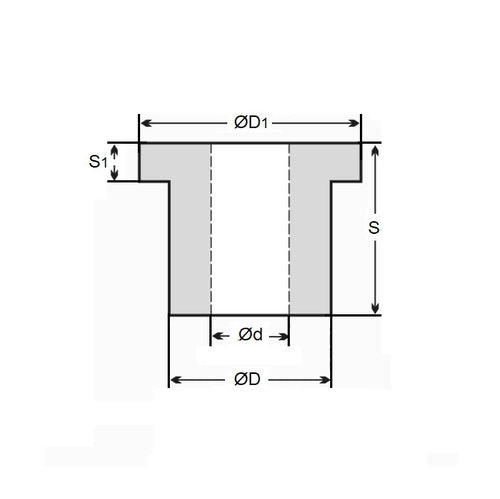
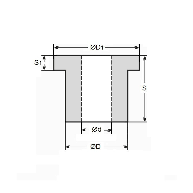
Bushes - Flanged - Bronze - SinteredSintered Bronze Flanged Bushes. Oil impregnated flanged sintered bronze bushes.
- An expanded range may be available on special order. Please enquire.
- Precision items show an allowable Load Speed Rating in Newtons times RPM.
Product Data
- Nominal Inside Diameter (d)
:
11.113
mm
+ 0.012 / + 0.038
(Equiv. 0.438 in.) - Nominal Outside Diameter (D)
14.288
mm
+ 0.038 / + 0.063
(Equiv. 0.563 in.) - Length (s)
15.875
mm
+/- 0.127
(Equiv. 0.625 in.) - Flange OD (D1) 17.46 mm
- Flange Thickness (S1) 1.59 mm
- Material Bronze SAE 841 Sintered
Product Compliance and Data
Additional Resources
- DU Bush Material Information
- General Bushes Catalogue
- Sintered Bronze Products Catalogue
- Solid Bronze Bushes catalogue
Cross References
- Oilite FF504
- Oilite FF-504
- Oilube FF-504
- Symmco SF-1418-10
- BF011101430159BS
- BF011101430159BSLH
- SF141810


