Small Parts & Bearings
Miniature Bearings Australia

BF0100-0160-0080-BS2030LT - Datasheet

MBA

Category Information

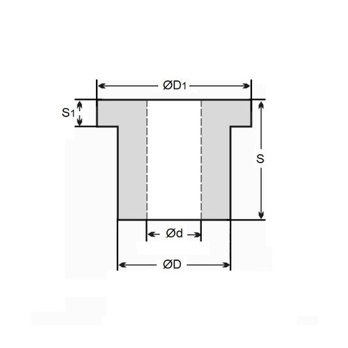
Bushes - Flanged - Bronze - Sintered

Sintered Bronze Flanged Bushes. Oil impregnated flanged sintered bronze bushes.

  • An expanded range may be available on special order. Please enquire.
  • Precision items show an allowable Load Speed Rating in Newtons times RPM.

Product Data

  • Nominal Inside Diameter (d) : 10.000 mm + 0.025 / + 0.040
    (Equiv. 0.394 in.)
  • Nominal Outside Diameter (D) 16.000 mm + 0.023 / + 0.050
    (Equiv. 0.63 in.)
  • Length (s) 8.000 mm + 0 / - 0.200
    (Equiv. 0.315 in.)
  • Flange OD (D1) 20.00 mm
  • Flange Thickness (S1) 3.00 mm
  • Material Bronze SAE 841 Sintered
Country of Origin: TW

Product Compliance and Data

Additional Resources

Cross References

  • Oilube FM-1016-8
  • A7B4MF101608
  • FM10168
  • BF010001600080BS2030
  • BF010001600080BS2030TL
View full details