
Miniature Bearings Australia
BP0100-0140-0100-BSLT - Datasheet
MBA
Category Information
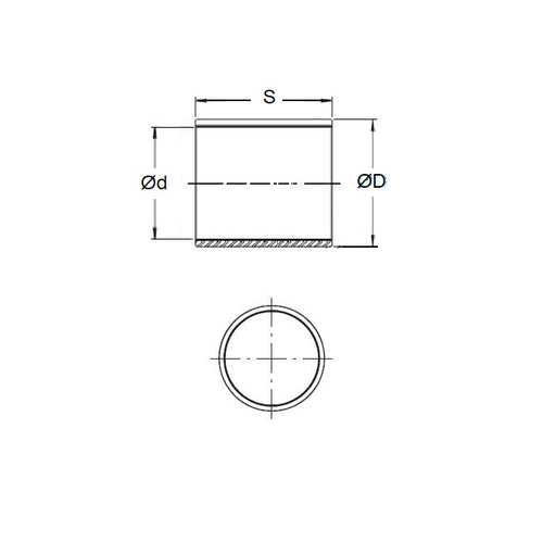
Bushes - Unflanged - Bronze - SinteredSintered Bronze Unflanged Bushes. Oil impregnated sintered bronze bushes.
- An expanded range may be available on special order. Please enquire.
- Precision items show an allowable Load Speed Rating in Newtons times RPM.
Product Data
- Nominal Inside Diameter (d)
:
10.000
mm
+ 0.005 / + 0.030
(Equiv. 0.394 in.) - Nominal Outside Diameter (D)
14.000
mm
+ 0.025 / + 0.051
(Equiv. 0.551 in.) - Length (s)
10.000
mm
+/- 0.127
(Equiv. 0.394 in.) - Material Bronze SAE 841 Sintered
Product Compliance and Data
Additional Resources
- DU Bush Material Information
- General Bushes Catalogue
- Sintered Bronze Products Catalogue
- Solid Bronze Bushes catalogue
Cross References
- 6658K741
- Oilube AAM-1014-10
- Oilite AAM1014-10
- Oilube AAM1014-10
- Oilube AM-1014-10
- BP010001400100BS
- BP010001400100BSTL
- AM101410
- QM19-10
- QM1910
- A7B4MP101410
- AAM101410


