
Miniature Bearings Australia
BF0100-0130-0100-BS1615LT - Datasheet
MBA
Category Information
Bushes - Flanged - Bronze - SinteredSintered Bronze Flanged Bushes. Oil impregnated flanged sintered bronze bushes.
- An expanded range may be available on special order. Please enquire.
- Precision items show an allowable Load Speed Rating in Newtons times RPM.
Product Data
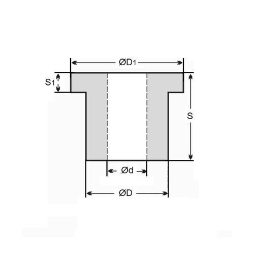
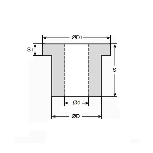
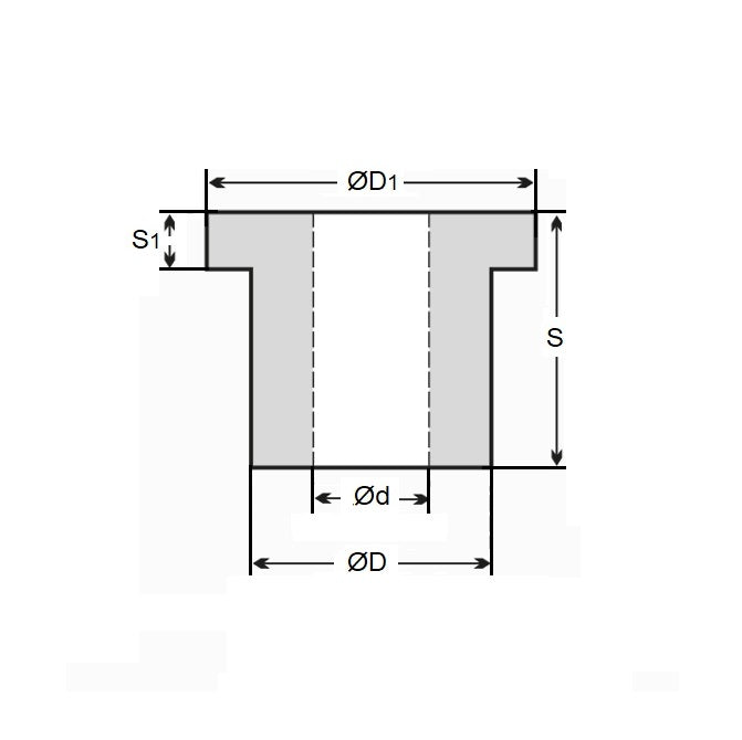
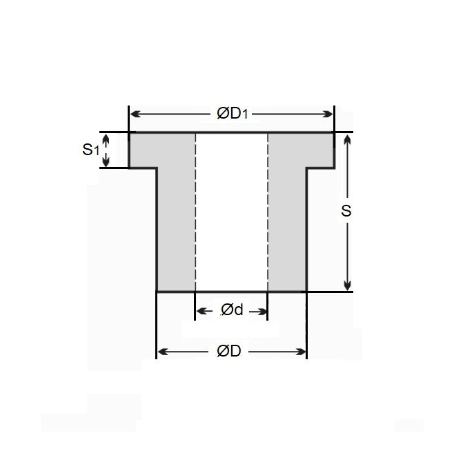
- Nominal Inside Diameter (d)
:
10.000
mm
+ 0.005 / + 0.030
(Equiv. 0.394 in.) - Nominal Outside Diameter (D)
13.000
mm
+ 0.028 / + 0.050
(Equiv. 0.512 in.) - Length (s)
10.000
mm
+/- 0.120
(Equiv. 0.394 in.) - Flange OD (D1) 16.00 mm
- Flange Thickness (S1) 1.50 mm
- Comments ISO2795
- Material Bronze SAE 841 Sintered
Product Compliance and Data
Additional Resources
- DU Bush Material Information
- General Bushes Catalogue
- Sintered Bronze Products Catalogue
- Solid Bronze Bushes catalogue
Cross References
- Oilube FM-1013-10
- FM101310
- BF010001300100BS


