Small Parts & Bearings
Miniature Bearings Australia

IN-TP-048F-13-WHL - Datasheet

MBA

Category Information

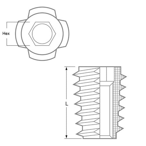
Inserts - Self Tapping - For Wood - Hex Drive - Standard

Standard Hex Drive For Wood Self Tapping Inserts. Threaded inserts are screwed into preformed or predrilled holes and cut own threads into the wall of permanent installations.

  • Threaded bushing with external threads that cuts its own internal threads into a pre-drilled hole.
  • Creates a permanent, wear-resistant, and strong machine thread in materials such as aluminum, brass, cast iron, and plastics, without the need for a pre-tapped hole.
  • Used for strengthening materials, providing durable fastening points for machine screws, and repairing damaged threads.
  • Die Cast Zinc Alloy. Knife thread cuts easily into a predrilled hole.
  • Inexpensive inserts for use in ready to assemble furniture, drawer pulls etc.
  • Installs with a hex wrench

Product Data

  • Internal Thread : 10-32 UNF (4.76mm)
  • Rec. Hole Diameter 7.0 mm
    (Equiv. 0.276 in.)
  • Length (L) 13.005 mm
    (Equiv. 0.512 in.)
  • Hex Size 5.0
Country of Origin: US

Product Compliance and Data

Additional Resources

Cross References

  • INTP0476F130WH
View full details