
Miniature Bearings Australia
BP0012-0040-0016-BSLU - Datasheet
MBA
Category Information
Bushes - Unflanged - Bronze - SinteredSintered Bronze Unflanged Bushes. Oil impregnated sintered bronze bushes.
- An expanded range may be available on special order. Please enquire.
- Precision items show an allowable Load Speed Rating in Newtons times RPM.
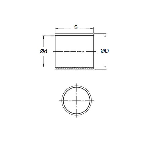
Product Data
- Nominal Inside Diameter (d)
:
1.191
mm
+ 0.000 / + 0.010
(Equiv. 0.047 in.) - Nominal Outside Diameter (D)
3.969
mm
+ 0.003 / - 0.010
(Equiv. 0.156 in.) - Length (s)
1.588
mm
+ 0 / - 0.127
(Equiv. 0.063 in.) - Material Bronze SAE 841 Sintered
Product Compliance and Data
Additional Resources
- DU Bush Material Information
- General Bushes Catalogue
- Sintered Bronze Products Catalogue
- Solid Bronze Bushes catalogue
Cross References
- S99BP3-PB031004
- S99BP3PB031004
- BP001200400016BS


