
Miniature Bearings Australia
C330 - Datasheet
MBA
Category Information
Bearings - Pivot - FlangedFlanged Pivot Bearings. This is the main category in this series
- Designed to allow controlled pivoting motion around a fixed axis.
- Small pivot bearings find applications in mechanical scales, clockmaking, aeronautics and aerospace, laboratory equipment, optical imaging systems, medical devices, and automation and robotics systems.
Product Data
Deleted Item. Available while stocks last.
Please contact us first if you wish to use this item in a new design so we can check whether production can be resumed.
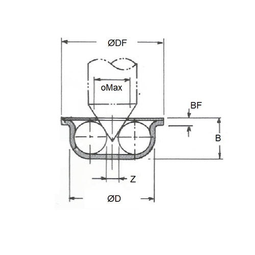
- Contact Point (z)
:
0.500
mm
(Equiv. 0.02 in.) - OD (D)
3.300
mm
(Equiv. 0.13 in.) - Width (B)
1.600
mm
(Equiv. 0.063 in.) - Flange OD (DF) 4.000 mm
- Flange Thickness (BF) 0.400 mm
- Opening Maximum (oMax) 1.500
- Balls 4
- Closed - No Inner Ring type
- Material Chrome Steel
Product Compliance and Data
Additional Resources
- Catalogue: Ceramic Bearings Catalogue
- Catalogue: Plastic Bearings Catalogue
- Catalogue: Standard Bearings Catalogue
- General: Bearing Cleanliness
- General: Bearing Clearances
- General: Bearing Flanges & Snap Rings
- General: Bearing Retainers (Cages)
- General: General Loads Information
- General: Lubrication
- General: Prefix & Suffix Guide
- General: Static vs Dynamic Loads
- Materials: 316 Stainless
- Materials: CASSTOP Anti-Corrosion Bearing Material
- Materials: Ceramic vs Ceramic Hybrid
- Materials: Ceramic Bearings in Vibratory Applications
- Materials: Ceramic Hybrid Bearings in Vibratory Applications
- Materials: General Bearing Materials
- Materials: Magnetism & Bearings
- Precision: 316 Stainless & Plastic Bearing Tolerances
- Precision: ABEC Basic Information
- Precision: Precision Bearing Tolerances
- Problem Solving: Bearing Failure
- Problem Solving: Fatigue (L10 Life)
- Problem Solving: Noise
Cross References
- Origin PF-3


