
Miniature Bearings Australia
BA274-S - Datasheet
MBA
Category Information
Spring Motor Assemblies - RINORINO Spring Motor Assemblies. Budget Assemblies. Average fatigue life of 5000 to 30000 cycles.
- This category will be discontinued when this item is sold.
- This item is priced to quit.
- Backorders or orders for previously listed items in the category will only be available for very large orders.
- Springs : 301 Stainless Steel.
- Average fatigue life of 5,000 to 30,000 cycles.
Product Data
Deleted Item. Available while stocks last.
Please contact us first if you wish to use this item in a new design so we can check whether production can be resumed.
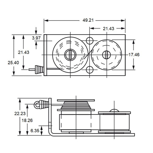
- Counter Balance (Approx) : 0.14 kg
- Average Number of Revolutions 25
- Average Fatigue Life 30000 -Cycles
- Travel 915 mm
Product Compliance and Data
Additional Resources


